您现在的位置:球王会·(体育)官方网站 » 解决方案 » 经典案例
捻股机简介
将钢丝捻制成绳股的设备。捻股机由传动装置、捻制机体、压线瓦装置、牵引装置、安全和停车装置、收排线装置等主体部件及起重机、焊接机、切割机等一系列辅助机械组成。通常所说的捻股机指其主体部分而不包含辅助机械。捻股机按机体结构类型有筐篮式、管式和无管式等几种.
筐篮式捻股机
如图1所示,装载工字轮的机体呈筐篮状。工字轮在机体中沿圆周分布,捻制时工字轮绕机体中心转动。通过行星齿轮机构或曲柄连杆机构,使装载钢丝的工字轮在放线时总是保持水平状态,从而实现退扭捻制,以消除钢丝的扭转应力。这种结构的捻股机由于机体较大,转动惯量大,运转速度和可装工字轮个数均受到限制,因而所捻绳股的结构和钢丝根数也受到限制。为实现股的多丝多层捻制,需将几段独立的机体串连使用.

根据所捻绳股钢丝的多少,筐篮式捻股机有6~8个工字轮。工字轮的大小一般根据钢丝的大小和捻股机功率的大小而定。常用工字轮的外缘直径为300~50¨0mm。筐篮式捻股机速度较慢,约为每分钟几十转至100多转,很少超过150转。由于转速慢,捻制的股具有变形充分、结构紧密、捻制应力小等特点。目前主要用于异形股钢丝绳、单捻密封钢丝绳和较粗规格普通结构圆股的捻制。由于生产效率不高,目前大部分绳股的捻制已不采用筐篮式捻股机.
管式捻股机
如图2所示,装载工字轮的机体呈管状,由于生产效率高,是目前广泛使用的捻股设备.

管式捻股机由一节或数节筒体组成机体。载线工字轮在机体内沿中心呈一字形排列。工字轮放线时始终保持水平状态。筒体的高速旋转与牵引装置产生的直线牵引相配合,使钢丝产生螺旋线缠绕和股的直线运动,形成了具有一定捻距的股,从而完成了股的基本捻制动作。与筐篮式机相比,捻制原理相同,但结构却有显著改进。管式捻股机简体体积小,重心低,转动惯量小,运转速度快,噪声低,运转平稳,操作方便,适合大部分绳股,特别是线接触钢绳股和钢绞线的捻制。添加一些专用装置,还可捻制面接触钢丝绳股、异形股。管式捻股机转速达400~5000r/min,按机筒节数的多少和设备功率的大小,可组成6~36个工字轮的捻股机,最多可达48个工字轮,机体长达60m。管式机工字轮外缘直径为100~630mm.
无管式捻股机
为适应高效生产的需要,20世纪50年代,欧美一些国家开始应用无管式结构的捻股机。这类设备没有管式机那样的筒体,转动惯量更小,运转速度比管式机又有进一步提高,一般可达1000~6000r/min。英国生产的一种无管式机速度高达10000r/min。70年代,意大利研制出两种无管式捻股机。一种是双捻机,用来生产小规格的线接触钢丝绳股和钢丝帘线。另一种是跳绳式捻股机,以弓形板代替管式机筒,弓形板起导线作用,结构紧凑轻巧,可围绕摇篮转动,产生类似于跳绳的运转,机体可装3~12个工字轮,转速达2000~9000r/min,小型少工字轮机器转速高达10000/min.
随着无管式捻股机结构的不断演变和改进,一些影响捻制质量和机体性能的关键部件正在被不断改进,如旋转体的支承方式改用大型轴承和油雾润滑或采用更为先进的空气轴承支承,实现无摩擦、无振动、无噪声高速运转;工字轮采用无轴装配和放线恒张力控制;调速机构采用无级调速,可捻制任意捻距的股等等。这些措施的采用对提高捻制质量和生产效率无疑是十分重要的.
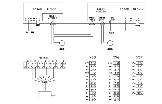
丹佛斯变频器在管式捻股机
变频器配置:
筒体的旋转:FC-302P15KT5E20H2BGCXXXSXXXXAXBXCXXXXDX
牵引装置: FC-302P4K0T5E20H2BGCXXXSXXXXAXBRC4X10DX
收线装置: FC-302P4K0T5E20H2BGCXXXSXXXXAXBRCXXXXDX
技术要求:
筒体旋转--主机速度开环
牵引装置--从机跟随主机,位置同步
收线装置--转矩闭环/速度闭环切换
制动电阻--负载惯量大,加减速时间短。
MODBUSI通讯,写频率,读频率,写转矩,读转矩,写齿轮A,写齿轮B
主机筒体旋转可以正反转;从机始终一个方向跟随;
STO功能
丹佛斯控制原理过程:
主机FC302 15KW
负载惯量大,加减速时间短,丹佛斯变频器控制方式选择无传感器磁通矢量+制动电阻
电机尾端安装1024线TTL编码器,送给牵引变频器,作为位置给定。
牵引从机 FC302 4KW+MCO350

主机参数设置
1-00 配置模式 [1]闭环速度
5-12 端子27数字输入 [0]无功能
1-20 电动机功率 设置电动机铭牌功率
1-22 电动机电压 设置电动机铭牌电压
1-23 电动机频率 设置电动机铭牌频率
1-24 电动机电流 设置电动机铭牌电流
1-25 电动机额定转速 设置电动机铭牌转速(单位RPM)
1-29 自动电机优化 [2]完整的AMA 选择[2]后按下[Hand On](手动启动),即可激活AMA功能,在经过一段时间(5分钟左右)正常运行后,显示器会显示:“按[OK](确定)完成AMA”。按下[OK]后,即可开始运行变频器
3-02 最小参考值 设 0
3-03 最大参考值 设 50 HZ
3-41 加速时间 设 3.0秒
3-42 减速时间 设 3.0秒
4-10 电动机速度方向 [0]顺时针方向
5-40-1 继电器功能 继电器1设为[10] 报警或警告
6-19端子53模式 [0]为电流模式 [1]为电压模式
7-00速度PID反馈源 [2]MCB102
7-02速度PID比例增益 根据需要设置
7-03速度PID积分时间 根据需要设置
7-06速度PID低通滤波 1ms
17-10信号类型 [1]RS422
17-11 分辨率 1000
****可以先开环运行变频器,把7-00的反馈源设置好,分辨率17-11设置好。观察参数16-57的数值和我们设定的值,如果相反,可以把编码器的A+和A-对调,调好之后再闭环运行。
从机参数设置:
1-00 配置模式 [1]闭环速度
1-01 电机控制原理 [3]磁通矢量带反馈
1-02 磁通矢量电动机反馈源 [5]MCO编码器2
1-20 电动机功率 设置电动机铭牌功率
1-22 电动机电压 设置电动机铭牌电压
1-23 电动机频率 设置电动机铭牌频率
1-24 电动机电流 设置电动机铭牌电流
1-25 电动机额定转速 设置电动机铭牌转速(单位RPM)
1-29 自动电机优化 [2]完整的AMA 选择[2]后按下[Hand On](手动启动),即可激活AMA功能,在经过一段时间(5分钟左右)正常运行后,显示器会显示:“按[OK](确定)完成AMA”。按下[OK]后,即可开始运行变频器
1-71 启动延迟 设置1s,根据需要,保证从机先启动,主机再运转
3-02 最小参考值 设 0
3-03 最大参考值 设 50 HZ
3-41 加速时间 设 3.0秒
3-42 减速时间 设 3.0秒
4-10 电动机速度方向 [0]顺时针方向
5-40-1 继电器功能 继电器1设为[10] 报警或警告
7-02速度PID比例增益 0.035
7-03速度PID积分时间 40ms
7-06速度PID低通滤波 1ms
19-01 同步方式 [4] 位置同步,但同步停止后电机处于自由停车状态
19-24 再次同步方式 参照说明,根据需要设置
32-01增量分辨率(编码器2) 1000
32-31增量分辨率(编码器1) 1000
32-60比例因数 100左右
32-61 PID控制微分值 关闭
32-62积分因数 1-2
32-65前馈参数设置 10485 根据公式计算62914560000/(编码器最高速度*编码器线数*4)
33-81 加电状态 [0]关闭电机 [1]开启电机
参数可能不是很详细,具体情况再做修改,可以参考MCO350调试说明
调试注意:
从机27号端子先导通,1号端子再导通,然后主机启动
变频器在运行的过程中,通讯是不能直接更改同步因子(从参数1906),同步因子(主参数1907),他们是在同步使能的时候激活的;如需运行更改,可以改33-10主,33-11从



